ȸ»ç¼Ò°³
COMPANY
ȸ»ç¼Ò°³
ȸ»ç¿¬Çõ
ÀÎÁõ»çÇ×
ã¾Æ¿À½Ã´Â ±æ
»ç¾÷ºÐ¾ß
SERVICE
Á¦Ç°¼Ò°³
PRODUCT
OVER HEAD TYPE
INVERTED TYPE
EMS
SCREW CONVEYTOR
DROP LIFTER
APRON CONVEYTOR
SLAT CONVEYTOR
ROLLER CONVEYOR
SKID CONVEYOR
SLAFTER
BUCKET ELEVATR
BELT CONVEYOR
°í°´Áö¿ø
SUPPORT
Á¦Ç°¹®ÀÇ
¹æ¸í·Ï
°øÁö»çÇ×
¿Â¶óÀÎ »ó´ã
HOME > Á¦Ãã¼Ò°³ > POWER CONVEYOR >
TR
- ¾ÈÀüÀåÄ¡¸¦ ±¸ºñÇÑ Æ®·Î¸®ÄÁº£ÀÌ¾î ±¸µ¿ÀåÄ¡ -
½Ç¿ë½Å¾Èµî·Ï
Á¦ 0366192 È£
¾ÈÀüÀåÄ¡¸¦ ±¸ºñÇÑ
Æ®·Î¸®ÄÁº£À̾î
±¸µ¿ÀåÄ¡
ÀÇÀåµî·Ï
Á¦ 0350832 È£
´ÜÁ¶Ã¼ÀÎÀ» »ç¿ëÇÏ´Â
Æ®·Ñ¸®ÄÁº£ÀÌ¾î ±¸µ¿¿ë ½ºÇÁ¶óÄÏ
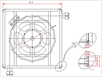
a
b
c
d
e
f
g
h
mm
p.c.d
mm
mm
¥õ
mm
mm
mm
R-348
1200
680
##
75
13
70
30
40
777
R-458
1200
714
788
1400
907
ÀÕ¼ö
Á÷°æ
¿Ü°æ
µÎ²²
d¥õ
Áß·®
N.T
P.C.D
O.D
t1
t2
kg
348
12
583.8
604.0
14
16
183
14
680.57
700.7
16
777.42
797.6
458
11
713.9
738.8
18
22
183
12
778.39
803.3
14
907.43
932.4
16
1036.55
1061.5
½Ç¿ë½Å¾Èµî·Ï
Á¦ 0371700 È£
90µµ TAKE-UPÀåÄ¡
>